-
0.5間距H1.0前插后壓fpc連接器一。0.5間距H1.0前插后壓fpc連接器性能特點:
(1)0.5間距H1.0前插后壓fpc連接器插入力及拔出力:適合 0.3mm 厚的 FFC;
(2)用每分鐘 25±3mm 的速度平行地插入、鎖緊、拔出。承受最大插入力1.96*n (N) ,最小拔 出 力 0.49*n (N)。
(3)0.5間距H1.0前插后壓fpc連接器端子保持力:以用每分鐘 25±3mm 的速度平行向外拉,端子保持力為:2.5N/PIN/ Min。
二。0.5間距H1.0前插后壓fpc連接器技術要求:
(1)塑件表面要光潔、無毛邊、無明顯收縮、缺陷、裂紋等現象。
(2)保存溫度范圍:-25℃~85℃
(3)額定電壓50V,AC/DC(等效)
(4)接觸電阻:≤0.03Ω
(5)絕緣電阻:≥500MΩ
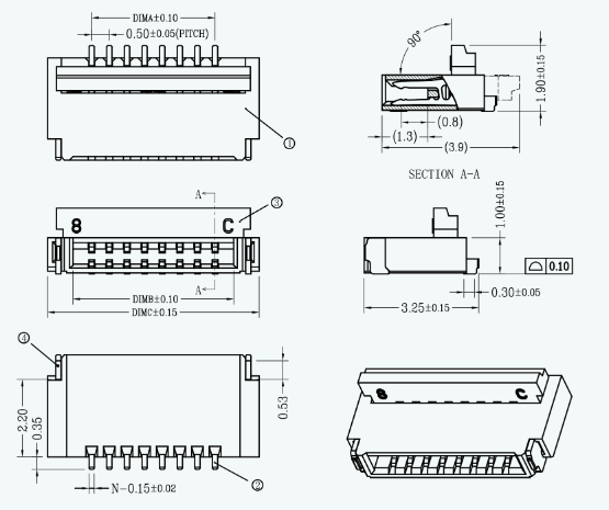
三。0.5間距H1.0前插后壓fpc連接器本體結構圖:

四。0.5間距H1.0前插后壓fpc連接器適用排線結構:

五。0.5間距H1.0前插后壓fpc連接器適用適用線路板結構圖:








